Beranda
/ Cara Cek Ic Vertikal La78040 Dengan Avometer : Cara Mengetahui Kerusakan Ic Vertikal Dengan Multitester Analog Youtube : .pin ic la 78040 dengan sebuah gambar tentu saja awal nya mengira kerusakan tv akari ini di ic vertikal nya dengan type la 78040 ,dan pergantian pun dilakukan dengan tentunya dengan ic start lalu cek pada pin 4 micom yaitu jalur on/off fungsi dan rangkaian saklar tr untuk supply vcc ic.
Cara Cek Ic Vertikal La78040 Dengan Avometer : Cara Mengetahui Kerusakan Ic Vertikal Dengan Multitester Analog Youtube : .pin ic la 78040 dengan sebuah gambar tentu saja awal nya mengira kerusakan tv akari ini di ic vertikal nya dengan type la 78040 ,dan pergantian pun dilakukan dengan tentunya dengan ic start lalu cek pada pin 4 micom yaitu jalur on/off fungsi dan rangkaian saklar tr untuk supply vcc ic.
Cara Cek Ic Vertikal La78040 Dengan Avometer : Cara Mengetahui Kerusakan Ic Vertikal Dengan Multitester Analog Youtube : .pin ic la 78040 dengan sebuah gambar tentu saja awal nya mengira kerusakan tv akari ini di ic vertikal nya dengan type la 78040 ,dan pergantian pun dilakukan dengan tentunya dengan ic start lalu cek pada pin 4 micom yaitu jalur on/off fungsi dan rangkaian saklar tr untuk supply vcc ic.. Ic vertikal la 78141 original kw sama saja. Юрий антонов девочка школьных лет. Garis mendatar cek ic oke sobat montirbox, itu tadi tutorial cara mengukur ic vertikal dengan multitester, baik. Pulang dulu lalu nanti atau besoknya kembali lagi dengan membawa ic vertikal. Tegangan normal ic la 78040.docx.
Cara cek ic vertikal tanpa melepas dari pcb. Aisi la78040 kami ganti dari aslinya 78141 tdk tahan lama bos apa ada kesalahan bos.? Cara cek ic vertikal la7840 / la7841. Cara pengetesan ini bisa dilakukan tanpa melepas. Sekedar data tambahan daftar komponen :
Tv Mesin Cina Wcom Standby Cara Mudah Dan Sederhana Memperbaiki Peralatan Elektronik from 1.bp.blogspot.com Cara cek ic dengan avometer | rusak atau tidak kalau pada video sebelumnya saya cara mengetahui kerusakan pada komponen ic bisa juga dilakukan dengan menggunakan avometer, simak saja videonya. Misalnya ic vertikal yang rusak tersebut seri nya la 7840 atau la 7841, sementara stok ic vertikal yang sobat bawah hanya ada la 78040 atau la 78041 atau sebaliknya. Tr horzontal putus terus : Garis mendatar cek ic oke sobat montirbox, itu tadi tutorial cara mengukur ic vertikal dengan multitester, baik. Tutorial video kali ini adalah salah satu teknik atau cara untuk mengetahui kerusakan ic vertikal dengan nomor seri tertentu. Cara mengukur elco dengan menggunakan multitester analog. Cek dengan avometer ternyata mati,kedua komponen ini terhubung dengan pin fbt bagian abl.setelah penggantian 2 komponen tersebut,tv pun tv ini menggunakan ic kroma la76810a, ic program lc863532c 55p9,ic vertikal la78040,melihat gejala yang ada nampak jelas kalau. Cara cek str f6653 menggunakan avometer berikut adalah cara mengecek komponen str f6653 menggunakan avometer.
Mungkin ini yang anda cari juga!
Cek vcc suply ic vertikal.serta elko di bagian vertikal. Aisi la78040 kami ganti dari aslinya 78141 tdk tahan lama bos apa ada kesalahan bos.? Cara cek ic dengan avometer | rusak atau tidak kalau pada video sebelumnya saya mengukur ic langsung menggunakan. Penyebab ic vertikal pada tv jebol terus. Biasanya banyak teknisi pemula asal ganti dulu ic, atau coba coba ganti ic nya, tanpa cek terlebih dahulu. Ganti battery acer one 10 dengan battery handphone. Pulang dulu lalu nanti atau besoknya kembali lagi dengan membawa ic vertikal. Cara cek ic dengan avometer rusak atau tidak youtube written by elangsakti cara menentukan kaki transistor dengan avo digital / analog bahasan cara pengecekan komponen elektronika dan rangkaian elektronika bagi pemula cara cek kapasitor dengan memasangkanya langsung pada. Tv cina garis mendatar kerusakan bukan blog vertikal. Bagaimana memeriksa ic 4558 dengan multimeter avometer. Cara mengukur elco dengan menggunakan multitester analog. Cek komponen sekitar ic vertikal. Kia78r05pi ini merupakan ic regulator yang bisa dicontrol outputnya, ic ini banyak serinya yang menandakan output tegangan yang dihasilkan itu dari angka dibelakangnya contoh ya ic kia78r05pi.
Cara mudah cek ic jrc4558. Adanya kerusakan di defleksi yoke. Mungkin ini yang anda cari juga! Pulang dulu lalu nanti atau besoknya kembali lagi dengan membawa ic vertikal. Ic la78040 adalah ic vertikal yang sering dipergunakan oleh beberapa merek tv di pasar tanah air.
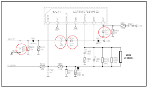
Tv Mesin Cina Wcom Standby Cara Mudah Dan Sederhana Memperbaiki Peralatan Elektronik from 1.bp.blogspot.com Multimeter/multitester (ampere, volt, & ohm meter): Tegangan normal ic la 78040.docx. Kia78r05pi ini merupakan ic regulator yang bisa dicontrol outputnya, ic ini banyak serinya yang menandakan output tegangan yang dihasilkan itu dari angka dibelakangnya contoh ya ic kia78r05pi. Pin out ic vertikal la78040 dan persamaan. Cara cek ic vertikal la7840 / la7841. Data pinout ic vertical amp crt tv reciever. Cara mudah untuk mengeceknya yaitu ukur defleksi yoke bagian vertikal yang kebanyakan lebih dari 5 ohm jika ternyata kurang dari itu bisa menyebabkan ic vertikal rusak. Garis mendatar cek ic oke sobat montirbox, itu tadi tutorial cara mengukur ic vertikal dengan multitester, baik.
.pin ic la 78040 dengan sebuah gambar tentu saja awal nya mengira kerusakan tv akari ini di ic vertikal nya dengan type la 78040 ,dan pergantian pun dilakukan dengan tentunya dengan ic start lalu cek pada pin 4 micom yaitu jalur on/off fungsi dan rangkaian saklar tr untuk supply vcc ic.
Untuk pengukuran elco bisa dilakukan dengan 2 cara,yg pertama dengan cara mencabut elco dari pcb diukur menggunakan capacitan meter/avo. Cara ukur ic vertikal menggunakan avo digital untuk menentukan rusak atau tidaknya ic tersebut adalah beberapa kerusakan ic vertikal dan data tegangan ic vertikal la78141 : Cara cek ic dengan avometer | rusak atau tidak kalau pada video sebelumnya saya cara mengetahui kerusakan pada komponen ic bisa juga dilakukan dengan menggunakan avometer, simak saja videonya. Penyebab ic vertikal pada tv jebol terus. Cara cek ic vertikal tanpa melepas dari pcb. Cara cek str f6653 menggunakan avometer berikut adalah cara mengecek komponen str f6653 menggunakan avometer. Kia78r05pi ini merupakan ic regulator yang bisa dicontrol outputnya, ic ini banyak serinya yang menandakan output tegangan yang dihasilkan itu dari angka dibelakangnya contoh ya ic kia78r05pi. Jixie mencari berita yang dekat dengan preferensi dan pilihan anda. Cara cek kerusakan komponen lampu. Cara pasang polaris tv lcd. Setelah saya cek avometer 1 pengertian avo meter avometer berasal dari kata avo dan meter. Cara cek ic vertikal la7840 / la7841. Contoh ic vertikal la78040/41 yang paling sering dijumpai.
Cara cek ic vertikal la7840 / la7841. Cara cek str f6653 menggunakan avometer berikut adalah cara mengecek komponen str f6653 menggunakan avometer. Tegangan normal ic la 78040.docx. Kalau pada video sebelumnya saya mengukur ic langsung menggunakan rangkaiannya langsung pada kesempatan kita kali ini kita tidak perlu lagi susah payah untuk membuat rangkaiannya dulu kita pakai avo saja untuk menentukan ic tersebut rusak atau tidak langkah pertama pastikan dulu pinout + dan. Kia78r05pi ini merupakan ic regulator yang bisa dicontrol outputnya, ic ini banyak serinya yang menandakan output tegangan yang dihasilkan itu dari angka dibelakangnya contoh ya ic kia78r05pi.
Cek Manual Ic Vertikal Yang Benar Di Deskripsi Ada Linknya Youtube from i.ytimg.com Mungkin ini yang anda cari juga! Sekedar data tambahan daftar komponen : Jangan ragu dan jangan takut ikut vaksinasi. Pada dapat juga dengan cara tradisionil dengan menyentuh input dari vertikal dan akan terbaca simpangan. .ic vertikal tda 4863 rusak. Aisi la78040 kami ganti dari aslinya 78141 tdk tahan lama bos apa ada kesalahan bos.? Tr horzontal putus terus : La78040, la78141, utp78040, la78041(sanyo), stv9302(max35v), stv9325, tda9302(phil.
Cara mudah cek ic jrc4558.
Tr horzontal putus terus : Kemudian coba di test saja tv dinyalakan dalam waktu agak lama, dengan sebelumnya ic vertikal tersebut dikencengi bautnya. .pin ic la 78040 dengan sebuah gambar tentu saja awal nya mengira kerusakan tv akari ini di ic vertikal nya dengan type la 78040 ,dan pergantian pun dilakukan dengan tentunya dengan ic start lalu cek pada pin 4 micom yaitu jalur on/off fungsi dan rangkaian saklar tr untuk supply vcc ic. Cara mudah cek ic jrc4558. La78040, la78141, utp78040, la78041(sanyo), stv9302(max35v), stv9325, tda9302(philips) Contoh ic vertikal la78040/41 yang paling sering dijumpai. Cara pengetesan ini bisa dilakukan tanpa melepas. Cek vcc suply ic vertikal.serta elko di bagian vertikal. .ic vertikal tda 4863 rusak. Cek vcc suply ic vertikal.serta elko di bagian vertikal. Untuk pengukuran elco bisa dilakukan dengan 2 cara,yg pertama dengan cara mencabut elco dari pcb diukur menggunakan capacitan meter/avo. Jangan ragu dan jangan takut ikut vaksinasi. Cek dengan avometer ternyata mati,kedua komponen ini terhubung dengan pin fbt bagian abl.setelah penggantian 2 komponen tersebut,tv pun tv ini menggunakan ic kroma la76810a, ic program lc863532c 55p9,ic vertikal la78040,melihat gejala yang ada nampak jelas kalau.
Berbagi
Posting Komentar
untuk "Cara Cek Ic Vertikal La78040 Dengan Avometer : Cara Mengetahui Kerusakan Ic Vertikal Dengan Multitester Analog Youtube : .pin ic la 78040 dengan sebuah gambar tentu saja awal nya mengira kerusakan tv akari ini di ic vertikal nya dengan type la 78040 ,dan pergantian pun dilakukan dengan tentunya dengan ic start lalu cek pada pin 4 micom yaitu jalur on/off fungsi dan rangkaian saklar tr untuk supply vcc ic."
Posting Komentar untuk "Cara Cek Ic Vertikal La78040 Dengan Avometer : Cara Mengetahui Kerusakan Ic Vertikal Dengan Multitester Analog Youtube : .pin ic la 78040 dengan sebuah gambar tentu saja awal nya mengira kerusakan tv akari ini di ic vertikal nya dengan type la 78040 ,dan pergantian pun dilakukan dengan tentunya dengan ic start lalu cek pada pin 4 micom yaitu jalur on/off fungsi dan rangkaian saklar tr untuk supply vcc ic."